澳门六合彩投注
国务院
省政府
市政府
你好,
|
注销
|
登录
|
注册
|
移动版
闽政通APP
网站支持IPV6
澳门六合彩投注
政务公开
解读回应
办事服务
互动交流
走进永泰
政府信息公开
领导之窗
机构职能
工作动态
财政资金
公告公示
人事信息
规划计划
回应关切
上级政策解读
本级政策解读
网上信访
意见征集
网上调查
在线访谈
互动交流知识库
永泰县
欢迎访问澳门六合彩投注 门户网站
搜索
历史搜索:
热门搜索:
无障碍浏览
当前位置:
澳门六合彩投注
>
政务公开
>
网站和政务新媒体检查情况通报
>
年度报表
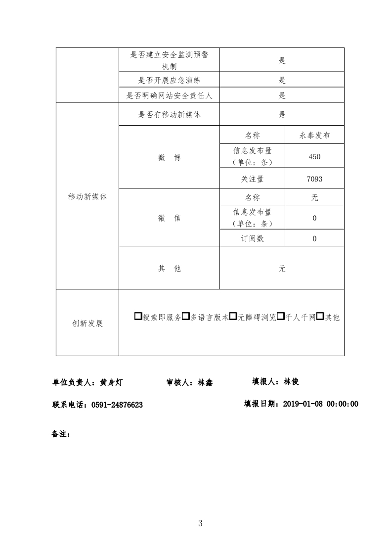
永泰县2018年度政府网站工作年度报表
来源:澳门六合彩投注
时间:2019-01-09 11:49
浏览量:
微信
微博
QQ空间
扫一扫在手机上查看当前页面
打印
关闭
相关链接
李克强在陕西考察